提供“華洋”品牌機床附件系列產品詳細資料

【產品型號】HY8310.16
【產品材質】(曲柄)鋼、(手柄)塑
【表面處理】(曲柄)鍍鋅、(手柄)黑色無光澤處理
【產品品牌】華洋
【產品產地】浙江寧波
【生產廠家】象山華洋機床附件廠
【詢價熱線】86-574-65010069
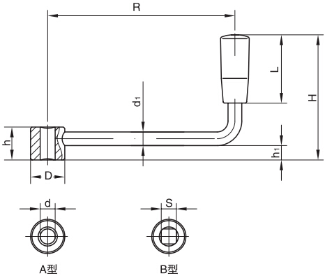
結構圖

參數尺寸
| 產品編號 | 主要尺寸(mm) | 安裝孔 | ||||||||
| Type A | Type B | R | H | d? | L | d | s | D | h | h? |
| HY8310.16\A10x135 | HY8310.16\B10x10x135 | 135 | 92 | 10 | 50 | 10 | 10 | 25 | 24 | 10.5 |
| HY8310.16\A12x135 | HY8310.16\B12x12x135 | 135 | 92 | 10 | 50 | 12 | 12 | 25 | 24 | 10.5 |
技術信息
| 名稱 | 材料 | 表面處理 |
| 曲柄 | 鋼 | 鍍鋅 |
| 手柄 | 塑 | 黑色無光澤處理 |
抱歉,該型號暫無3D模型!