提供“華洋”品牌機床附件系列產品詳細資料


【產品型號】HY8314.5
【執行標準】JB/T 7274.5-2014
【產品材質】鋼
【表面處理】噴砂或鍍亮鉻
【產品品牌】華洋
【產品產地】浙江寧波
【生產廠家】象山華洋機床附件廠
【詢價熱線】86-574-65010069
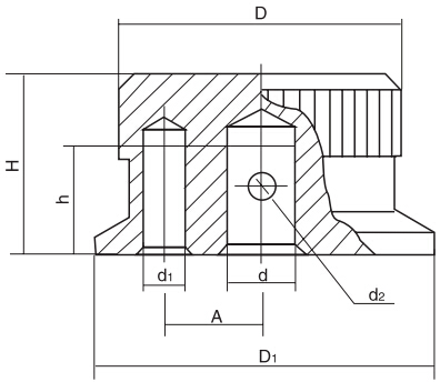
結構圖

參數尺寸
| 產品編號 | 主要尺寸(mm) | 安裝孔 | ||||||
| 鋼 | D | D? | H | A | d | h | d? | d? |
| HY8314.5\10x40 | 40 | 48 | 26 | 14 | 10 | 14 | 6.7 | 4 |
| HY8314.5\12x50 | 50 | 58 | 30 | 16 | 12 | 18 | 6.7 | 5 |
| HY8314.5\16x60 | 60 | 68 | 32 | 20 | 16 | 21 | 8.5 | 5 |
| HY8314.5\18x70 | 70 | 78 | 34 | 25 | 18 | 21 | 8.5 | 6 |
技術信息
| 名稱 | 材料 | 表面處理 |
| 把手 | 鋼 | 噴砂或鍍亮鉻 |
抱歉,該型號暫無3D模型!